Nyelv:
Kezdd el!
Eladó
Kiadó
Tulajdonos vagyok
Ingatlanos vagyok
Zoomlla-funkciók
Eladó lakás Budapest XIII. Angyalföld ..
1135 Budapest
ID: 105805
58.5 M Ft (1.6 M Ft/m2)
Terület
36 m2
Hálószobák
1
Ingatlan adatok
Típus: Lakás
Terület: 36 m2
Hálószobák: 1
Építés éve: 20+ éve
Ár: 58 500 000 Ft
Ár/m2: 1.6 M Ft/m2
Emelet: Felső szint
Kilátás az ingatlanból: Város
Leírás
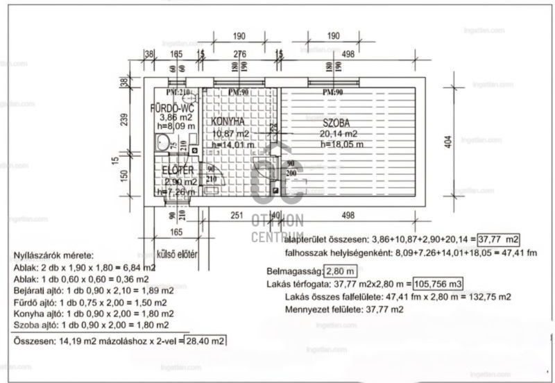
Eladó szuper helyen, 1/1 tulajdonban lévő, remek elosztású, bejegyzetten 36, valójában 37,7 m2 hasznos területű kislakás Angyalföld szívében!

A lakás jellemzői:

Első emeleti, egyemeletes tégla társasházban;
Előszoba, napfényes konyha és étkező, kényelmes fürdőszoba, valamint egy jól berendezhető nappali/hálószoba;
Új, műanyag, dupla üvegű ablakok
...
+ Tovább olvasom
Lokáció
1135 Budapest